-
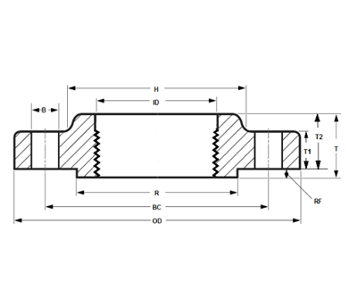
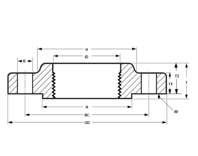
Mar 12, 2024Dosbarth fflans ASME B16.5 Threaded 2500 mewn modfeddiDOSBARTH THREADED 2500 Dosbarth dimensiynau fflans edau 2500 mewn modfedd (ASME B16.5) Ar gyfer ASME B16.5 Flanges Threaded, gall y dimensiynau amrywio yn seiliedig ar faint enwol -
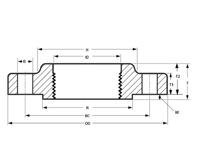
Mar 12, 2024ASME B16.5 Dosbarth Flange Threaded 1500 mewn modfeddiDOSBARTH THREADED 1500 Dosbarth dimensiynau fflans edau 1500 mewn modfedd (ASME B16.5) Ar gyfer ASME B16.5 Flanges Threaded, gall y dimensiynau amrywio yn seiliedig ar faint enwol -
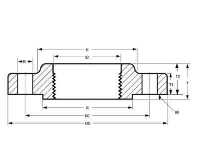
Mar 12, 2024ASME B16.5 Dosbarth Flange Threaded 900 mewn modfeddiDOSBARTH THREADED 900 Dosbarth maint dimensiynau fflans edau 900 mewn modfedd (ASME B16.5) Flanges Threaded Dosbarth 900: Maint Enwol Pibell (NPS): Yn amrywio o 1/2 modfedd (DN 15) -
Mar 12, 2024ASME B16.5 Dosbarth Flange Threaded 600 mewn modfeddiDOSBARTH THREADED 600 Dosbarth dimensiynau fflans edau 600 mewn modfedd (ASME B16.5) Ar gyfer fflans edau ASME B16.5 yn Nosbarth 600, gall y dimensiynau amrywio yn seiliedig ar fai -
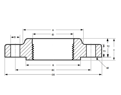
Mar 12, 2024ASME B16.5 Dosbarth Flange Threaded 400 mewn modfeddiASME B16.5 Dosbarth Flange Threaded 400 mewn modfeddi -
Mar 12, 2024ASME B16.5 Dosbarth Flange Threaded 300 mewn modfeddiASME B16.5 Dosbarth Flange Threaded 300 mewn modfeddi -
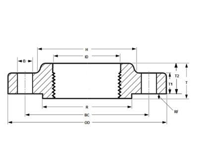
Mar 12, 2024ASME B16.5 Dosbarth Flange Threaded 150 mewn modfeddiASME B16.5 Dosbarth Flange Threaded 150 mewn modfeddi -
Mar 12, 2024Dimensiynau Flange Gwddf Weldio Dosbarth 2500Dyma'r dimensiynau bras ar gyfer fflans gwddf weldio Dosbarth 2500 yn unol â safonau ASME B16.5, mewn modfeddi: Maint Pibell Enwol (NPS): Yn amrywio o 1/2 modfedd (DN 15) i 24 modf -
Mar 12, 2024Dimensiynau fflans Gwddf Weldio Dosbarth 1500Dyma'r dimensiynau bras ar gyfer fflans gwddf Weld Dosbarth 1500 yn unol â safonau ASME B16.5, mewn modfeddi: Maint Pibell Enwol (NPS): Yn amrywio o 1/2 modfedd (DN 15) i 24 modfed -
Mar 12, 2024Dimensiynau Flange Gwddf Weldio Dosbarth 900Mae dimensiynau fflans gwddf weldio Dosbarth 900 yn cydymffurfio â safonau ASME B16.5, ac maent yn amrywio yn seiliedig ar faint pibell enwol (NPS) y fflans. Dyma'r dimensiynau cyf -
Mar 12, 2024Dimensiynau Flange Gwddf Weldio Dosbarth 600Mae dimensiynau fflans gwddf weldio Dosbarth 600, yn unol â safonau ASME B16.5, yn amrywio yn seiliedig ar faint pibell enwol (NPS) y fflans. Isod mae'r dimensiynau cyffredinol ar -
Mar 12, 2024Dimensiynau Flange Gwddf Weldio Dosbarth 400Mae dimensiynau fflans gwddf weldio Dosbarth 400 yn dilyn safon ASME B16.5, ac fel dosbarthiadau pwysau eraill, bydd y dimensiynau'n amrywio yn dibynnu ar faint pibell enwol (NPS)





